Използваме „бисквитки", за да подобрим Вашето посещение и сигурността на сайта. Можете да приемете или откажете използването на аналитични бисквитки.
Офис: (052) 571 991 Магазин: (052) 571 999 Факс: (052) 502 667
9023 Варна, България бул. "Цар Освободител" 246 E-mail: Enable JavaScript to view protected content.
Понеделник - петък:
09:00 - 18:00 часа
(02) 958 6458
1404 София, България бул. "Гоце Делчев" 148 бл.1
09:00 - 18:00
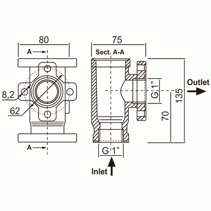
Филтър с метална решетка за многократна употреба след промивка (монтира се на засамукващата страна). Присъединяване: 1”.
* цените са с ДДС.